How to determine if you have a wiring problem or a translation table problem in a display

Topic

  • How can I determine if the scrambled mod content on a display is a result of a wiring problem or a translation table issue?

Environment

  • DVN, DVNMC, and DVX series Displays

Steps

  1. Open V-Tour in DCU mode. See DD2247836.
  2. Obtain the translation table being used on the VIP4060 or VIP5x60 from the project site or standard order file share on Dak3024. (You can also pull the translation table from the VIP directly by backing up the display configuration.)
  3. From the DCU file menu, select "Open Wiring", then open the translation table .hex file
  4. Compare the diagram shown in V-Tour against the signal interconnect drawing(s) for your display. Pay careful attention to the fact that V-Tour shows you a front view of the display and your drawing may or may not show a rear view.
    • Are the number of cabinets and their layout the same in both diagrams?
    • Do the A and B port signal paths for all controllers, PLRs, and cabinets match?

An answer of NO to either question above indicates there is a problem with the translation table.

An answer of YES to both questions above indicates a wiring issue in the display.

 

 

Shown is an example of a display with an incorrect translation table loaded on the controller:

 

REAR VIEW DRAWING

Notice there are no A to A, or B to B interconnects on the lower cabinets.

good_wire_dwg.PNG 

 

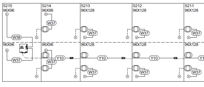
V-TOUR - FRONT VIEW DRAWING (Translation table with errors shown.)

incorrect_tt.png 

KB ID: DD3179790


DISCLAIMER: Use of this content may void the equipment warranty, please read the disclaimer prior to performing any service of the equipment.

DAKTRONICS DOES NOT PROMISE THAT THE CONTENT PROVIDED HEREIN IS ERROR-FREE OR THAT ANY DEFECTS WILL BE CORRECTED, OR THAT YOUR USE OF THE CONTENT WILL PROVIDE SPECIFIC RESULTS. THE CONTENT IS DELIVERED ON AN "AS-IS" AND "AS-AVAILABLE" BASIS. ALL INFORMATION PROVIDED IN THIS ARTICLE IS SUBJECT TO CHANGE WITHOUT NOTICE. DAKTRONICS DISCLAIMS ALL WARRANTIES, EXPRESS OR IMPLIED, INCLUDING ANY WARRANTIES OF ACCURACY, NON-INFRINGEMENT, MERCHANTABILITY AND FITNESS FOR A PARTICULAR PURPOSE. DAKTRONICS DISCLAIMS ANY AND ALL LIABILITY FOR THE ACTS, OMISSIONS AND CONDUCT OF YOU OR ANY THIRD PARTIES IN CONNECTION WITH OR RELATED TO YOUR USE OF THE CONTENT. ADJUSTMENT, REPAIR, OR SERVICE OF THE EQUIPMENT BY ANYONE OTHER THAN DAKTRONICS OR ITS AUTHORIZED REPAIR AGENTS MAY VOID THE EQUIPMENT WARRANTY. YOU ASSUME TOTAL RESPONSIBILITY FOR YOUR USE OF THE CONTENT AND ANY LINKED CONTENT. YOUR SOLE REMEDY AGAINST DAKTRONICS FOR DISSATISFACTION WITH THE CONTENT IS TO STOP USING THE CONTENT. THIS LIMITATION OF RELIEF IS A PART OF THE BARGAIN BETWEEN THE PARTIES.

The above disclaimer applies to any property damage, equipment failure, liability, infringement, or personal injury claim arising out of or in any way related to your use or application of the content, whether such claim is for breach of contract, tort, negligence or any other cause of action.