How do I connect the Stat Crew computer to the All Sport 5100 Console with a J-box?
Topic
- How do you connect the Stat Crew computer to the All Sport 5100 console with a J-box?
Environment
- Product Family: Integration
- Product:
- Components: Stat Crew
- Control System: All Sport 5100
Steps
Note: Reference How to set up Stat Crew with the All Sport, DSTI, and Venus 7000, DD2167389 for more information onStat Crew and DSTI setup.
Note: Confirm the All Sport console is connected to the scoreboard and able to display scoreboard and statistics information.
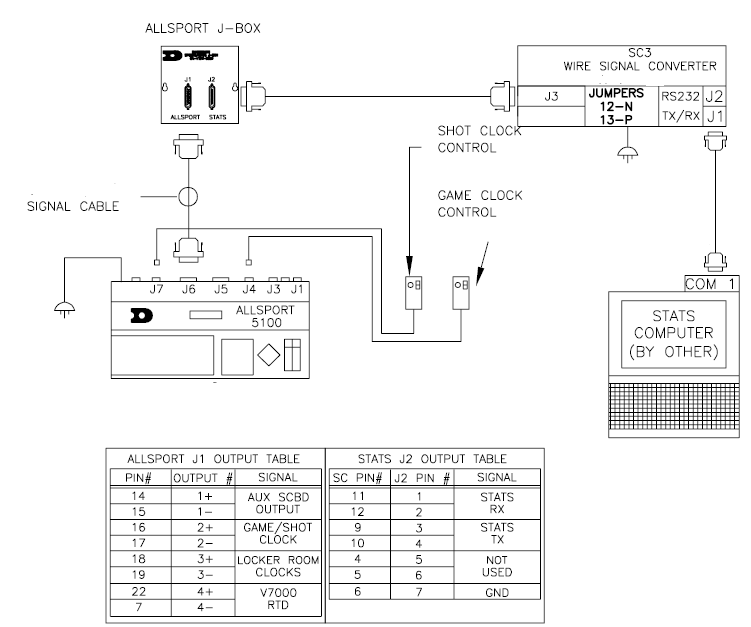
- Connect a 9 pin serial cable to the serial port (Com 1) on the Stat Crew computer.
- Note: If there is not an available serial port on your computer, use a USB to Serial converter. Configuring a MOXA USB to Serial Cable COM Port, DD1547641.
- Connect the other end of the serial cable to the serial port on a signal converter.
- Connect a 25 pin serial cable to the signal converter and the other end to J2 on the J-box.
- Connect a 25 pin serial cable to J6 on the All Sport and the other end to J1 on the J-box.
- Note: See the drawing below for the wiring of the J-box.
- On the J2 Pin connection where it says STATS RX, this corresponds to the TX signal from the stats computer (pin 3).
- The STATS TX corresponds to the RX serial connection on the stats computer (pin 2).
KB ID: DD2557278
DISCLAIMER: Use of this content may void the equipment warranty, please read the disclaimer prior to performing any service of the equipment.
DAKTRONICS DOES NOT PROMISE THAT THE CONTENT PROVIDED HEREIN IS ERROR-FREE OR THAT ANY DEFECTS WILL BE CORRECTED, OR THAT YOUR USE OF THE CONTENT WILL PROVIDE SPECIFIC RESULTS. THE CONTENT IS DELIVERED ON AN "AS-IS" AND "AS-AVAILABLE" BASIS. ALL INFORMATION PROVIDED IN THIS ARTICLE IS SUBJECT TO CHANGE WITHOUT NOTICE. DAKTRONICS DISCLAIMS ALL WARRANTIES, EXPRESS OR IMPLIED, INCLUDING ANY WARRANTIES OF ACCURACY, NON-INFRINGEMENT, MERCHANTABILITY AND FITNESS FOR A PARTICULAR PURPOSE. DAKTRONICS DISCLAIMS ANY AND ALL LIABILITY FOR THE ACTS, OMISSIONS AND CONDUCT OF YOU OR ANY THIRD PARTIES IN CONNECTION WITH OR RELATED TO YOUR USE OF THE CONTENT. ADJUSTMENT, REPAIR, OR SERVICE OF THE EQUIPMENT BY ANYONE OTHER THAN DAKTRONICS OR ITS AUTHORIZED REPAIR AGENTS MAY VOID THE EQUIPMENT WARRANTY. YOU ASSUME TOTAL RESPONSIBILITY FOR YOUR USE OF THE CONTENT AND ANY LINKED CONTENT. YOUR SOLE REMEDY AGAINST DAKTRONICS FOR DISSATISFACTION WITH THE CONTENT IS TO STOP USING THE CONTENT. THIS LIMITATION OF RELIEF IS A PART OF THE BARGAIN BETWEEN THE PARTIES.
The above disclaimer applies to any property damage, equipment failure, liability, infringement, or personal injury claim arising out of or in any way related to your use or application of the content, whether such claim is for breach of contract, tort, negligence or any other cause of action.