Volume from the Announcers Interface is Low

Potential Symptoms

  • Volume from the Announcers Interface is Low
  • Low audio level from Announcer's Console

Environment

  • Announcers Console (0A-1561-0023, 31, 32, 33, 34)
  • 500HD

Cause

  • MIC 1 input switch on the mixer is set to the incorrect position
  • Compression/Limiting is turned "ON" on the RDL RU-MX4 mixer

Resolution

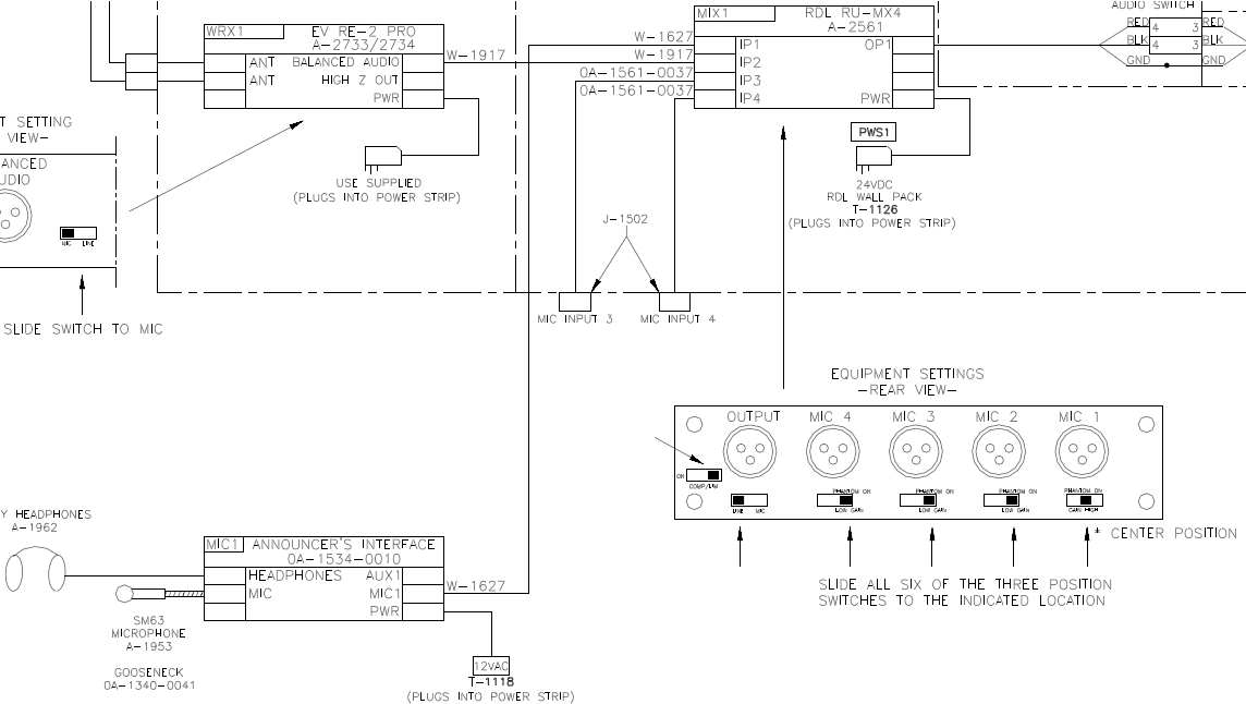
  1. Set the RDL RU-MX4 mixers six 3 position switches as indicated on the drawing below.
    A.  Turn the compression limiting switch "OFF", this will increase the gain by 3db
    B.  Set the MIC 1 switch to the center position, which is for condenser microphones.
    C.  Set MIC 2, 3, 4 switches to phantom "ON" - "LOW GAIN"

    Note: These switches are located on the back of the RDL RU-MX4 mixer.  You must first remove the announcers console cover by removing the 8 Phillips screws.  

 

KB ID: DD2298671


DISCLAIMER: Use of this content may void the equipment warranty, please read the disclaimer prior to performing any service of the equipment.

DAKTRONICS DOES NOT PROMISE THAT THE CONTENT PROVIDED HEREIN IS ERROR-FREE OR THAT ANY DEFECTS WILL BE CORRECTED, OR THAT YOUR USE OF THE CONTENT WILL PROVIDE SPECIFIC RESULTS. THE CONTENT IS DELIVERED ON AN "AS-IS" AND "AS-AVAILABLE" BASIS. ALL INFORMATION PROVIDED IN THIS ARTICLE IS SUBJECT TO CHANGE WITHOUT NOTICE. DAKTRONICS DISCLAIMS ALL WARRANTIES, EXPRESS OR IMPLIED, INCLUDING ANY WARRANTIES OF ACCURACY, NON-INFRINGEMENT, MERCHANTABILITY AND FITNESS FOR A PARTICULAR PURPOSE. DAKTRONICS DISCLAIMS ANY AND ALL LIABILITY FOR THE ACTS, OMISSIONS AND CONDUCT OF YOU OR ANY THIRD PARTIES IN CONNECTION WITH OR RELATED TO YOUR USE OF THE CONTENT. ADJUSTMENT, REPAIR, OR SERVICE OF THE EQUIPMENT BY ANYONE OTHER THAN DAKTRONICS OR ITS AUTHORIZED REPAIR AGENTS MAY VOID THE EQUIPMENT WARRANTY. YOU ASSUME TOTAL RESPONSIBILITY FOR YOUR USE OF THE CONTENT AND ANY LINKED CONTENT. YOUR SOLE REMEDY AGAINST DAKTRONICS FOR DISSATISFACTION WITH THE CONTENT IS TO STOP USING THE CONTENT. THIS LIMITATION OF RELIEF IS A PART OF THE BARGAIN BETWEEN THE PARTIES.

The above disclaimer applies to any property damage, equipment failure, liability, infringement, or personal injury claim arising out of or in any way related to your use or application of the content, whether such claim is for breach of contract, tort, negligence or any other cause of action.