How to replace a Sola HD UPS on a Daktronics Billboard.

Potential Symptoms

  • Replace a SOLA HD UPS

Environment

  • Product Family: OOH Advertising, Billboards, Control Systems
  • Product: DB-4000, DB-4100
  • Component: Sola HD UPS (uninterruptible power supply)
  • Control System: 

Resolution

Before performing this procedure it is recommended to have a voltage meter reader to verify the AC input and AC output of the UPS unit.
  1. To avoid electrical shock, shut off the input power to the UPS before disconnecting it.
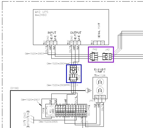
    • You can do this by unplugging the input power from the UPS, unplug the connector P42 from J42.
      DD2233089_1_UPS.jpg
  2. Disconnect the output power wires from the old UPS.
    • P43 from J43 in the drawing above.
  3. Remove the old unit from the enclosure.
  4. Mount the new UPS in the enclosure.
  5. Connect the input power and output power wires to the new unit.
  6. Power the UPS back up by holding the power button until two short beeps are heard and then release it, this will disable Green Mode.
    • If Green Mode is enabled the UPS will automatically shut off power to attached devices 3 minutes after losing power, which will not be long enough for a running on battery backup error to be uploaded to IDM.
  7. The AC input indicator light should be lit and power supplied to the devices connected inside the enclosure.
  8. Call into Daktronics Tech support to have content put back on the display after replacing the UPS.

KB ID: DD2233089


DISCLAIMER: Use of this content may void the equipment warranty, please read the disclaimer prior to performing any service of the equipment.

DAKTRONICS DOES NOT PROMISE THAT THE CONTENT PROVIDED HEREIN IS ERROR-FREE OR THAT ANY DEFECTS WILL BE CORRECTED, OR THAT YOUR USE OF THE CONTENT WILL PROVIDE SPECIFIC RESULTS. THE CONTENT IS DELIVERED ON AN "AS-IS" AND "AS-AVAILABLE" BASIS. ALL INFORMATION PROVIDED IN THIS ARTICLE IS SUBJECT TO CHANGE WITHOUT NOTICE. DAKTRONICS DISCLAIMS ALL WARRANTIES, EXPRESS OR IMPLIED, INCLUDING ANY WARRANTIES OF ACCURACY, NON-INFRINGEMENT, MERCHANTABILITY AND FITNESS FOR A PARTICULAR PURPOSE. DAKTRONICS DISCLAIMS ANY AND ALL LIABILITY FOR THE ACTS, OMISSIONS AND CONDUCT OF YOU OR ANY THIRD PARTIES IN CONNECTION WITH OR RELATED TO YOUR USE OF THE CONTENT. ADJUSTMENT, REPAIR, OR SERVICE OF THE EQUIPMENT BY ANYONE OTHER THAN DAKTRONICS OR ITS AUTHORIZED REPAIR AGENTS MAY VOID THE EQUIPMENT WARRANTY. YOU ASSUME TOTAL RESPONSIBILITY FOR YOUR USE OF THE CONTENT AND ANY LINKED CONTENT. YOUR SOLE REMEDY AGAINST DAKTRONICS FOR DISSATISFACTION WITH THE CONTENT IS TO STOP USING THE CONTENT. THIS LIMITATION OF RELIEF IS A PART OF THE BARGAIN BETWEEN THE PARTIES.

The above disclaimer applies to any property damage, equipment failure, liability, infringement, or personal injury claim arising out of or in any way related to your use or application of the content, whether such claim is for breach of contract, tort, negligence or any other cause of action.