Unable to Connect with Galaxy Display Using Serial Radios, Wired Incorrectly

Potential Symptoms

  • Unable to connect to display.
  • May receive "Synchronize Time Zone Unsupported Command" in Venus 1500 v4 alerts.

Environment

  • Product Family: Message Displays
  • Product: Galaxy
  • Component: Serial Radio
  • Control System: Venus 1500 v4

Cause

  • Wiring incorrect on Radio TX interface J-box.

Resolution

  • Wire correctly on J-box.
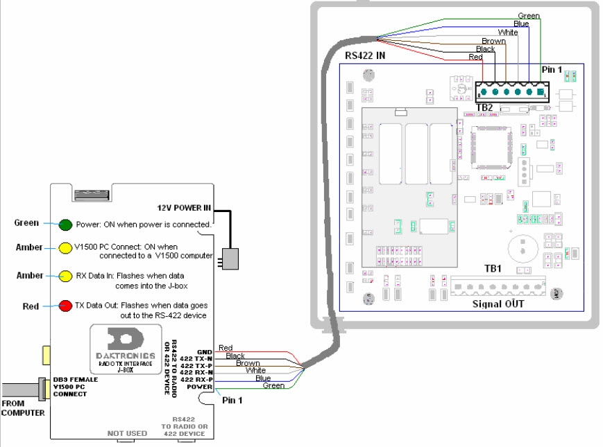
    serialradiowiring.jpg
    J-BoxWire ColorRadio
    GNDRedGND
    422 TX-NBlack422 RX-N
    422 TX-PBrown422 RX-P
    422 RX-NWhite422 TX-N
    422 RX-PBlue422 TX-P
    PowerGreen+V UNREG

KB ID: DD2175665


DISCLAIMER: Use of this content may void the equipment warranty, please read the disclaimer prior to performing any service of the equipment.

DAKTRONICS DOES NOT PROMISE THAT THE CONTENT PROVIDED HEREIN IS ERROR-FREE OR THAT ANY DEFECTS WILL BE CORRECTED, OR THAT YOUR USE OF THE CONTENT WILL PROVIDE SPECIFIC RESULTS. THE CONTENT IS DELIVERED ON AN "AS-IS" AND "AS-AVAILABLE" BASIS. ALL INFORMATION PROVIDED IN THIS ARTICLE IS SUBJECT TO CHANGE WITHOUT NOTICE. DAKTRONICS DISCLAIMS ALL WARRANTIES, EXPRESS OR IMPLIED, INCLUDING ANY WARRANTIES OF ACCURACY, NON-INFRINGEMENT, MERCHANTABILITY AND FITNESS FOR A PARTICULAR PURPOSE. DAKTRONICS DISCLAIMS ANY AND ALL LIABILITY FOR THE ACTS, OMISSIONS AND CONDUCT OF YOU OR ANY THIRD PARTIES IN CONNECTION WITH OR RELATED TO YOUR USE OF THE CONTENT. ADJUSTMENT, REPAIR, OR SERVICE OF THE EQUIPMENT BY ANYONE OTHER THAN DAKTRONICS OR ITS AUTHORIZED REPAIR AGENTS MAY VOID THE EQUIPMENT WARRANTY. YOU ASSUME TOTAL RESPONSIBILITY FOR YOUR USE OF THE CONTENT AND ANY LINKED CONTENT. YOUR SOLE REMEDY AGAINST DAKTRONICS FOR DISSATISFACTION WITH THE CONTENT IS TO STOP USING THE CONTENT. THIS LIMITATION OF RELIEF IS A PART OF THE BARGAIN BETWEEN THE PARTIES.

The above disclaimer applies to any property damage, equipment failure, liability, infringement, or personal injury claim arising out of or in any way related to your use or application of the content, whether such claim is for breach of contract, tort, negligence or any other cause of action.