How do I troubleshoot a digital billboard that is not getting a photocell reading?

Potential Symptoms

digital billboard that is not getting a photocell reading

Environment

  • Product Family:  Billboards
  • Product: AF-2014, DB-1000, DB-2000, DB-3000
  • Component:  VLink 1500 or ValoPlay
  • Control Software:

Cause

 Dim or nearly blank display in bright sunlight.

Resolution

NOTE: Complete each troubleshooting step before replacing any components.  Only cycle power when directed.

  • Some older rack-mount VLink 1500's on the DB-1000 series displays have the 6-pin connectors, the rest of the VLink 1500's and ValoPlay card will have the 4-pin configuration.    
    DD2096727-6 pin.png
    DD2096727-4 pin.png
  • Tools Needed:
    • Small, flat-head screwdriver for the Phoenix connectors
    • Volt/Ohm meter (auto-ranging is preferred)
    • Hand-tools to potentially replace the VLink/Valo or the photocell

 

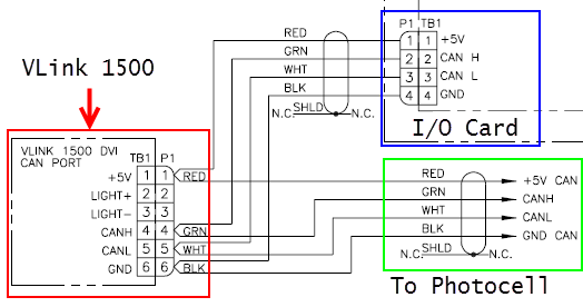
  1. Verify the photocell connections at the back of the VLink 1500 or ValoPlay's I/O card to the photocell are secure, as well as any other connections or extensions of the photocell cable.
    • Picture below is the photocell connections on the back of a rack mount VLink 1500.
    • Picture features 6 port phoenix connector, but newer VLinks will feature just 4 ports, eliminating the unused LP and LN ports. 
      3-7-2014 9-48-49 AM.png
    • Some photocells will connect at the back of the display, others may have an extension cable between the display/enclosure and the photocell.  Visually inspect and check all connections.
  2. Verify that the photocell failure is still active by working with the Billboard help desk.
  3. Measure voltage at the photocell across the red and black wires.
    • 5 VDC present: Continue to step 4.
    • No voltage present:
      1. Check the connection at the VLink 1500/ValoPlay to determine if there is a break in the cabling.
      2. Measure voltage across the +5 and GND ports at the phoenix plug.
        • If not getting voltage out of the VLink 1500, disconnect the phoenix plug and measure again with nothing connected.
        • ValoPlay: disconnect the harness going to the I/O card and measure voltage cross the +5V and GND pins.
          • No voltage: VLink 1500/ValoPlay will need to be replaced.
  4. Measure resistance at the phoenix plug on the controller of I/O card by measuring across CanH and CanL (green and white).
    • 40 ohms: Photocell and I/O card connected.
    • 60 ohms: Only the photocell connected.
      • If not getting proper resistance readings:
        1. Remove the phoenix plug from the back of the VLink 1500.
          • ValoPlay: disconnect the phoenix connector from the I/O card.
        2. Measure resistance across the green and the white wires going to the photocell.
          • 120 ohms present: photocell is operational, proceed to next step.
          • 120 ohms are not present, a new photocell will need to be sent to site.
        3. Power cycle VLink 1500/ValoPlay.
        4. Measure resistance on the back of the VLink 1500/ValoPlay across the CanH and CanL ports with the power off.
          • 120 ohms present with nothing connected to VLink 1500/ValoPlay: VLink/ValoPlay is operational.
          • 120 ohms not present: replace the VLink/ValoPlay.

KB ID: DD2096727


DISCLAIMER: Use of this content may void the equipment warranty, please read the disclaimer prior to performing any service of the equipment.

DAKTRONICS DOES NOT PROMISE THAT THE CONTENT PROVIDED HEREIN IS ERROR-FREE OR THAT ANY DEFECTS WILL BE CORRECTED, OR THAT YOUR USE OF THE CONTENT WILL PROVIDE SPECIFIC RESULTS. THE CONTENT IS DELIVERED ON AN "AS-IS" AND "AS-AVAILABLE" BASIS. ALL INFORMATION PROVIDED IN THIS ARTICLE IS SUBJECT TO CHANGE WITHOUT NOTICE. DAKTRONICS DISCLAIMS ALL WARRANTIES, EXPRESS OR IMPLIED, INCLUDING ANY WARRANTIES OF ACCURACY, NON-INFRINGEMENT, MERCHANTABILITY AND FITNESS FOR A PARTICULAR PURPOSE. DAKTRONICS DISCLAIMS ANY AND ALL LIABILITY FOR THE ACTS, OMISSIONS AND CONDUCT OF YOU OR ANY THIRD PARTIES IN CONNECTION WITH OR RELATED TO YOUR USE OF THE CONTENT. ADJUSTMENT, REPAIR, OR SERVICE OF THE EQUIPMENT BY ANYONE OTHER THAN DAKTRONICS OR ITS AUTHORIZED REPAIR AGENTS MAY VOID THE EQUIPMENT WARRANTY. YOU ASSUME TOTAL RESPONSIBILITY FOR YOUR USE OF THE CONTENT AND ANY LINKED CONTENT. YOUR SOLE REMEDY AGAINST DAKTRONICS FOR DISSATISFACTION WITH THE CONTENT IS TO STOP USING THE CONTENT. THIS LIMITATION OF RELIEF IS A PART OF THE BARGAIN BETWEEN THE PARTIES.

The above disclaimer applies to any property damage, equipment failure, liability, infringement, or personal injury claim arising out of or in any way related to your use or application of the content, whether such claim is for breach of contract, tort, negligence or any other cause of action.