M3, Replaced the temp sensor and still getting message NA for temp on the display

Potential Symptoms

  • Temp message shows up as N/A on the display.
  • Address on Temp sensor card is set to "1".
  • Temp sensor has power and the red LED is blinking.
  • When connected to controller with M2config, on the Status tab under Peripherals the Temp Sensor Reading shows as "Not Present".
  • Can connector on back of display is securely seated.
  • Ribbon cable connection from Quick Connect (QC) card to controller is securely seated.
  • After replacement of temp sensor, issue remains.
  • Voltage to controller is only 6VAC (half voltage).

Environment

  • Product Family: Message Displays
  • Product: Galaxy AF-3500, AF-3700
  • Component: M3 Controller
  • Control System: Venus 1500

Cause

  • Improper voltage to controller which is not allowing controller to properly interpret the data from the Temp Sensor.
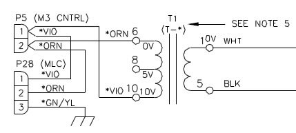
    •  Wiring out of transformer is not correct.
    •  Orange wire should be on Terminal 6 and Violet wire should be on Terminal 10. (EX: Orange on T6 and Violet on T8...would provide only 1/2 voltage.) See screenshot below.

Resolution

  • Wire outgoing terminations from Transformer according to screenshot above. (Orange on T6 and Violet on T10.)

KB ID: DD2037842


DISCLAIMER: Use of this content may void the equipment warranty, please read the disclaimer prior to performing any service of the equipment.

DAKTRONICS DOES NOT PROMISE THAT THE CONTENT PROVIDED HEREIN IS ERROR-FREE OR THAT ANY DEFECTS WILL BE CORRECTED, OR THAT YOUR USE OF THE CONTENT WILL PROVIDE SPECIFIC RESULTS. THE CONTENT IS DELIVERED ON AN "AS-IS" AND "AS-AVAILABLE" BASIS. ALL INFORMATION PROVIDED IN THIS ARTICLE IS SUBJECT TO CHANGE WITHOUT NOTICE. DAKTRONICS DISCLAIMS ALL WARRANTIES, EXPRESS OR IMPLIED, INCLUDING ANY WARRANTIES OF ACCURACY, NON-INFRINGEMENT, MERCHANTABILITY AND FITNESS FOR A PARTICULAR PURPOSE. DAKTRONICS DISCLAIMS ANY AND ALL LIABILITY FOR THE ACTS, OMISSIONS AND CONDUCT OF YOU OR ANY THIRD PARTIES IN CONNECTION WITH OR RELATED TO YOUR USE OF THE CONTENT. ADJUSTMENT, REPAIR, OR SERVICE OF THE EQUIPMENT BY ANYONE OTHER THAN DAKTRONICS OR ITS AUTHORIZED REPAIR AGENTS MAY VOID THE EQUIPMENT WARRANTY. YOU ASSUME TOTAL RESPONSIBILITY FOR YOUR USE OF THE CONTENT AND ANY LINKED CONTENT. YOUR SOLE REMEDY AGAINST DAKTRONICS FOR DISSATISFACTION WITH THE CONTENT IS TO STOP USING THE CONTENT. THIS LIMITATION OF RELIEF IS A PART OF THE BARGAIN BETWEEN THE PARTIES.

The above disclaimer applies to any property damage, equipment failure, liability, infringement, or personal injury claim arising out of or in any way related to your use or application of the content, whether such claim is for breach of contract, tort, negligence or any other cause of action.