FL-3000/4500: How to run loopback tests

Topic

  • How do I run a loopback test with a DM-100?
  • How do I troubleshoot an FL-3000/FL-4500 system that is using wireless (serial radios) communication?
  • How do I troubleshoot an FL-3000/FL-4500 system that is using direct wire communication?
  • How to perform loopback testing on FLD3-2000 communications?
  • Loopback testing for a hardwired FLD3-2000 setup.

Environment

  • Product: Fuelight, FL-3000, FL-4500, Gas Price or Petroleum Price Display, FL digit product
  • Component: DM-100 handheld (DD-2256160 revision 2.2 or lower and 3.0 or higher), DB9 (W-1267)
  • Control System: FLD3-2000, Direct wire, FLR3-1500, Gen 3 serial radios

Steps

For hardwired or serial radio communication methods, start the loopback test on the DM-100 handheld controller

 

How to run a loopback test on a DM-100 handheld controller.
Tools Required:
  1. 2 paper clips or small conductors
  2. T-1118 TRANSFORMER; 12VAC; WALLPACK 6' CORD COAXIAL

Step 1: Set DM-100 in loopback mode.

Note: The menus have change slightly between the different revisions of the DM-100.  Below will have directions for the different menus.
  • DM-100 - DD-2256160 (3.0 or higher).  (This is displayed on the boot up of the handheld)
  1. Power up the DM-100 handheld using a wall pack transformer (T-1118).
    1. Press MENU.
    2. Using the arrow buttons, scroll to DIAGNOSTICS and press Enter.
    3. Using the arrow buttons, scroll down to COM DIAGNOSTICS and press Enter.
    4. Using the arrow buttons, scroll down to COM PORT TESTS and press Enter.
    5. Using the arrow buttons, scroll down to RS232 COM0 and press Enter. (If loopback is not already in place, DM-100 will tell you which pins to connect; these pins are only for testing the DB9 output on the DM-100 and on the RS232 Cable).
  •  DM-100 - DD-2256160 (2.2 or lower).  (This is displayed on the boot up of the handheld)
  1. Power up the DM-100 handheld using a wall pack transformer (T-1118).
    1. Press MENU.
    2. Using the arrow buttons, scroll to DIAGNOSTICS and press Enter.
    3. Using the arrow buttons, scroll to PORT TESTS and press Enter.
    4. Using the arrow buttons, scroll down to CURRENT LOOP (for hardwire) or RS232 COM0 (for radios) and press Enter. (If loopback is not already in place, DM-100 will tell you which pins to connect; these pins are only for testing the DB9 output on the DM-100 and on the RS232 Cable).

Step 2: Put loopback in place at the desired test point. Test points are listed below.

DM-100 and RS232 cable

  • To test the DB9 output on the DM-100, connect pins 6 & 8 and 5 & 9 (for hardwire communication systems) or pins 2 & 3 (for radio systems).
  • To test the DB9 RS232 cable, connect pins 6 & 8 and 5 & 9 (for hardwire communication systems) or pins 2 & 3 (for radio systems).
  • Verify the loop back test is passing on both. (DM-100 will display "Loop back pass"). (Indicates good DM-100 and RS232 cable).
  • Note - If loopback test passes, remove the loopback and test again to ensure test fails. 
Note: Paper clips or another conductor can be inserted into the DB9 female port on the DM-100 or the DB9 RS232 cable to connect the pins.
 

 

 

How do I run loopback tests on displays with serial radio communication.
Tools Required:
  1. 2 paper clips or small conductors.
  2. Small flathead screw driver (eyeglass or jeweler's size).
  3. Phillips head screw driver for opening radios or j-boxes.
Step 1: Set DM-100 in loopback mode.
 Note: The menus have change slightly between the different revisions of the DM-100.  Below will have directions for the different menus.
  • DM-100 - DD-2256160 (3.0 or higher).  (This is displayed on the boot up of the handheld)
    1. Press MENU.
    2. Using the arrow buttons, scroll to DIAGNOSTICS and press Enter.
    3. Using the arrow buttons, scroll down to COM DIAGNOSTICS and press Enter.
    4. Using the arrow buttons, scroll down to COM PORT TESTS and press Enter.
    5. Using the arrow buttons, scroll down to RS232 COM0 and press Enter. (If loopback is not already in place, DM-100 will tell you which pins to connect; these pins are only for testing the DB9 output on the DM-100 and on the RS232 Cable).
  •  DM-100 - DD-2256160 (2.2 or lower).  (This is displayed on the boot up of the handheld)
    1. Press Menu.
    2. Using the arrow buttons, scroll to DIAGNOSTICS and press Enter.
    3. Using the arrow buttons, scroll down to PORT TESTS and press Enter.
    4. Using the arrow buttons, scroll down to RS232 COM0 and press Enter. (If loopback is not already in place, DM-100 will tell you which pins to connect; these pins are only for testing the DB9 output on the DM-100 and on the RS232 Cable).
Step 2: Put loopback in place at the desired test point. Test points are listed below.
 
Notewith the FL-3000/4500 systems, a loopback test cannot be performed on the radio j-box or the cable going to the server radio. Once plugged into the radio j-box, the DM-100 must see the server radio to initialize.
Server radio
  • Power the display down before performing this loopback test.  Having the client radio powered up may affect testing conditions as it will continue to transmit/receive signal.
  • Connect RX to TX(pins 5 and 6) on TB1 signal out.
  • Verify the loop back test is passing. (DM-100 will display "Loop back pass"). (Indicates good server radio).
  • Note - If loopback test passes, remove the loopback and test again to ensure test fails.
 
                                                                           
Capture.PNG
 
Client radio
  • Remove wires from RX (White)pin5 and TX (Green)pin6 and jumper RX to TX(pins 5 and 6) on the radio.
  • Verify the loop back test is passing. (DM-100 will display "Loop back pass"). (Indicates good client radio.

NoteThis does not test the cables between the client radio and driver. This is only testing the board inside the client radio). 

Note: If loopback test passes, remove the loopback and test again to ensure test fails.

DD2032686_4.bmp

 

 

How to run loopback tests on displays with direct wire communication.

Tools Required:

  1. 2 paper clips or small conductors.
  2. Small flathead screw driver (eyeglass or jeweler's size)
  3. Phillips head screw driver for opening j-boxes

Note 1:  If unable to connect from indoors you may take the handheld outdoors and connect to the first outdoor j-box (JBX2) according to the riser.  If you need to connect to the 3rd or 4th j-boxes in the series, you must disconnect them from each other.  Plugging the handheld into these j-boxes without disconnecting them from each other will result in damage to the surge card.

Note 2:  The indoor and outdoor j-box surge cards are not interchangeable.

Step 1: Set DM-100 in loopback mode.

 Note: The menus have change slightly between the different revisions of the DM-100.  Below will have directions for the different menus.
  • DM-100 - DD-2256160 (3.0 or higher).  (This is displayed on the boot up of the handheld)
    1. Press MENU.
    2. Using the arrow buttons, scroll to DIAGNOSTICS and press Enter.
    3. Using the arrow buttons, scroll down to COM DIAGNOSTICS and press Enter.
    4. Using the arrow buttons, scroll down to COM PORT TESTS and press Enter.
    5. Using the arrow buttons, scroll down to CURRENT LOOP and press Enter. (If loopback is not already in place, DM-100 will tell you which pins to connect; these pins are only for testing the DB9 output on the DM-100 and on the RS232 Cable).
  •  DM-100 - DD-2256160 (2.2 or lower).  (This is displayed on the boot up of the handheld)
    1. Press Menu.
    2. Using the arrow buttons, scroll to DIAGNOSTICS and press Enter.
    3. Using the arrow buttons, scroll down to PORT TESTS and press Enter.
    4. Using the arrow buttons, scroll down to CURRENT LOOP and press Enter. (If loopback is not already in place, DM-100 will tell you which pins to connect; these pins are only for testing the DB9 output on the DM-100 and on the RS232 Cable).

Step 2: Put loopback in place at the desired test point. Test points are listed below.

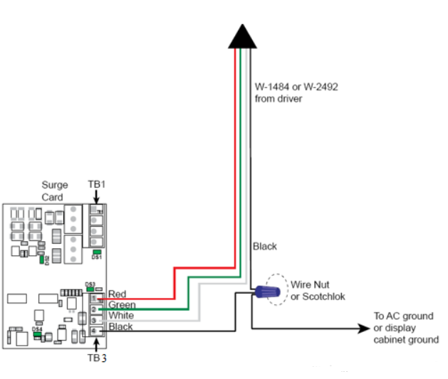
Indoor surge card

  • To test the indoor surge card, first open up the indoor j-box.
  • Make note of the wiring going into TB2. (The wiring should match figure 1 below).
  • Remove the wiring from TB2 (Terminal Block 2 - Hardwire Current Loop OUT) (These wires run out to the first sign).
  • Connect one conductor to TB2 pins 1 & 3 (RX+/RXP to TX+/TXP).
  • Connect the second conductor to TB2 pins 2 & 4 (RX-/RXN to TX-/TXN).
  • Verify the loop back test is passing. (DM-100 will display "Loop back pass"). (Indicates good j-box card).
  • Note - If loopback test passes, remove the loopback and test again to ensure test fails.

DD2620129_1_Indoor_J-box_FLD3-2000.jpg

Wiring from store to pylon

  1. Open up the JBX 2 access port card.
  2. Unhook the wires from TB1 (Terminal Block 1 - Hardwire Current Loop IN).
  3. Twist together the White & Red wires .
  4. Twist together the Green & Black wires.
  5. Run the loopback from inside.
  6. Verify the loop back test is passing. (DM-100 will display "Loop back pass"). (Indicates wiring from store to pylon is good).
  7. Note - If loopback test passes, remove the loopback and test again to ensure test fails.


DD2620129_2_Outdoor_Wiring.jpg

 Outdoor access port

  1. Either plug the DM-100 directly into the access port or leave it hooked up inside.
  2. Voltage into Tb3-1 and TB3-4 ports should be ~12 VDC (red & black wires).
  3. Disconnect the Green & White wires.
  4. Place a conductor or paper clips into the same slots (TB3 pins 2 & 3).
  5. Verify the loopback test is passing. (DM-100 will display "Loop back pass"). (Indicates good access port card).
  6. Note - If loopback test passes, remove the loopback and test again to ensure test fails.


DD2620129_3_AccessPort_J-box_FLD3-2000.jpg
 

If multiple pylons or sign structures exist continue loopback testing as indicated below.

Checking if JBX3 outdoor Port/j-box card is good
  1. Current Loop port test will be used again.
  2. Open up the JBX3 and access the surge card.
  3. Remove  White & Red wires from TB1-1 and TB1-3 and place conductor or paper clip between those pins.
  4. Remove Green & Black wires from TB1-2 and TB1-4 and place conductor or paper clip between those pins.
  5. Run the loopback from inside.
  6. If the loopback passes the JBX3 surge card is good.
jbx3.jpg
Checking if JBX4 outdoor Port/j-box card is good
  1. Current Loop port test will be used again.
  2. Voltage into TB3-1 and TB3-4 ports should be ~12 VDC (red & black wires).
  3. Disconnect the Green & White wires.
  4. Place a conductor or paper clips into the same slots (TB3 pins 2 & 3).
  5. Verify the loopback test is passing = good surge card.
    DD2620129_3_AccessPort_J-box_FLD3-2000.jpg

KB ID: 000029057


DISCLAIMER: Use of this content may void the equipment warranty, please read the disclaimer prior to performing any service of the equipment.

DAKTRONICS DOES NOT PROMISE THAT THE CONTENT PROVIDED HEREIN IS ERROR-FREE OR THAT ANY DEFECTS WILL BE CORRECTED, OR THAT YOUR USE OF THE CONTENT WILL PROVIDE SPECIFIC RESULTS. THE CONTENT IS DELIVERED ON AN "AS-IS" AND "AS-AVAILABLE" BASIS. ALL INFORMATION PROVIDED IN THIS ARTICLE IS SUBJECT TO CHANGE WITHOUT NOTICE. DAKTRONICS DISCLAIMS ALL WARRANTIES, EXPRESS OR IMPLIED, INCLUDING ANY WARRANTIES OF ACCURACY, NON-INFRINGEMENT, MERCHANTABILITY AND FITNESS FOR A PARTICULAR PURPOSE. DAKTRONICS DISCLAIMS ANY AND ALL LIABILITY FOR THE ACTS, OMISSIONS AND CONDUCT OF YOU OR ANY THIRD PARTIES IN CONNECTION WITH OR RELATED TO YOUR USE OF THE CONTENT. ADJUSTMENT, REPAIR, OR SERVICE OF THE EQUIPMENT BY ANYONE OTHER THAN DAKTRONICS OR ITS AUTHORIZED REPAIR AGENTS MAY VOID THE EQUIPMENT WARRANTY. YOU ASSUME TOTAL RESPONSIBILITY FOR YOUR USE OF THE CONTENT AND ANY LINKED CONTENT. YOUR SOLE REMEDY AGAINST DAKTRONICS FOR DISSATISFACTION WITH THE CONTENT IS TO STOP USING THE CONTENT. THIS LIMITATION OF RELIEF IS A PART OF THE BARGAIN BETWEEN THE PARTIES.

The above disclaimer applies to any property damage, equipment failure, liability, infringement, or personal injury claim arising out of or in any way related to your use or application of the content, whether such claim is for breach of contract, tort, negligence or any other cause of action.