LED Light Strips: How do I set the strip to light when the shot clock runs out and end of period?

Topic

  • How to set the backboard LED strip to light when the shot clock runs out as well as at the End of Period (EOP)?

Environment

  • Product:  BB-2140/2141, BB-2150/2151, BB-2114, BB-2115, BB-2109, BB-2111 Shot Clock
  • Component:  BB-2135, BB-2133 LED light strips
  • Control System:  All Sport 5000 Series Console

Steps

  1. For colleges/universities under the NCAA umbrella: Per NCAA rulings, the backboard lights CANNOT go off when the shot clock =0, and may only go off at the End of Period.
    • See HERE for the NCAA's Letter on the interpretation of backboard light strip permissible usage.
       
    1. If the shot clock is clear or two-sided transparent, reference proper switch settings with KB:  Shot Clock: What are the two sided transparent clear shot clock dip switch settings for the driver in the enclosure?
    2. If the shot clock has an internal relay board and 3-pin XLR on the side; verify relay board set for:  (Relay card can be found with label 0P-1150-0242)
      1. OFF - GAME HORN
      2. OFF - SHOT HORN
      3. OFF - GAME STOP
      4. ON - GAME CLK = 0
      5. OFF - GAME HORN
      6. OFF - SHOT HORN
      7. OFF - GAME STOP
      8. ON - GAME CLK = 0
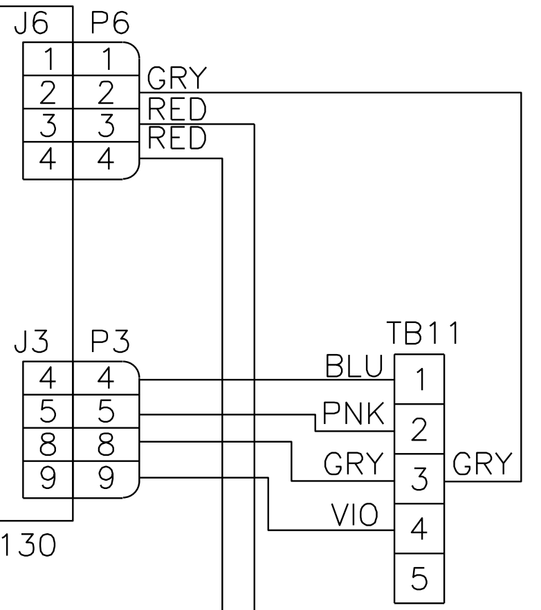
    3. If the shot clock does not have an internal relay board and 3-pin XLR on the side; open and verify the external light strip control enclosure set for:  (Control enclosure can be found with label 0A-1230-0088 or 0A-1389-0056 on the bottom)
      1. 'Selection' Gray wire is only on TB11 pin 3 GAME CLK = 0 (Gray-to-Gray only connection made on TB11 pin 3)
DWG-00314188 TB11.png
  • For High Schools and younger leagues, Daktronics recommends you check with your state rules committee to ensure compliance before modifying these settings.
    1. Proceed only if for High School or younger league and you have checked with your state/league rules committee or rule book.
    2. Light strips are designed to act as EOP indicators (game clock=0) and are not factory set to light when shot clock=0.  However, if using Daktronics Shot Clocks or Light Strip Controllers with a All Sport control console they can be set to light at shot clock=0.  To change the settings for EOP's to light at both shot and game clock=0 do the following:
      1. Power down the shot clock at the breaker or power cord.
      2. Access the relay board in the shot clock.
      3. Set dip switches 2,4,6,8 to "On" to act as EOP as well as shot clock=0.
dipswitch.jpg

KB ID: 000026996


DISCLAIMER: Use of this content may void the equipment warranty, please read the disclaimer prior to performing any service of the equipment.

DAKTRONICS DOES NOT PROMISE THAT THE CONTENT PROVIDED HEREIN IS ERROR-FREE OR THAT ANY DEFECTS WILL BE CORRECTED, OR THAT YOUR USE OF THE CONTENT WILL PROVIDE SPECIFIC RESULTS. THE CONTENT IS DELIVERED ON AN "AS-IS" AND "AS-AVAILABLE" BASIS. ALL INFORMATION PROVIDED IN THIS ARTICLE IS SUBJECT TO CHANGE WITHOUT NOTICE. DAKTRONICS DISCLAIMS ALL WARRANTIES, EXPRESS OR IMPLIED, INCLUDING ANY WARRANTIES OF ACCURACY, NON-INFRINGEMENT, MERCHANTABILITY AND FITNESS FOR A PARTICULAR PURPOSE. DAKTRONICS DISCLAIMS ANY AND ALL LIABILITY FOR THE ACTS, OMISSIONS AND CONDUCT OF YOU OR ANY THIRD PARTIES IN CONNECTION WITH OR RELATED TO YOUR USE OF THE CONTENT. ADJUSTMENT, REPAIR, OR SERVICE OF THE EQUIPMENT BY ANYONE OTHER THAN DAKTRONICS OR ITS AUTHORIZED REPAIR AGENTS MAY VOID THE EQUIPMENT WARRANTY. YOU ASSUME TOTAL RESPONSIBILITY FOR YOUR USE OF THE CONTENT AND ANY LINKED CONTENT. YOUR SOLE REMEDY AGAINST DAKTRONICS FOR DISSATISFACTION WITH THE CONTENT IS TO STOP USING THE CONTENT. THIS LIMITATION OF RELIEF IS A PART OF THE BARGAIN BETWEEN THE PARTIES.

The above disclaimer applies to any property damage, equipment failure, liability, infringement, or personal injury claim arising out of or in any way related to your use or application of the content, whether such claim is for breach of contract, tort, negligence or any other cause of action.