All Sport Pro: What are the connections for the interface box?

Topic

What are the connections for the All Sport Pro Interface box?

Environment

Product: All Sport Pro Interface Box
Components: 
Control System: All Sport Pro Suite

AllSportPro-Logo_Blue_400Square.png

Steps

Start Up 

  1. Plug power cord into standard wall outlet or battery pack. 
  2. Connect all signal cables to their appropriate jacks, if they are not already connected. Refer to scoreboard installation manuals and/or site-specific Riser Diagrams for more information. 
  3. Flip the POWER switch on rear of console to the ON position. 

🔽Click on the arrows to open or collapse the following sections:

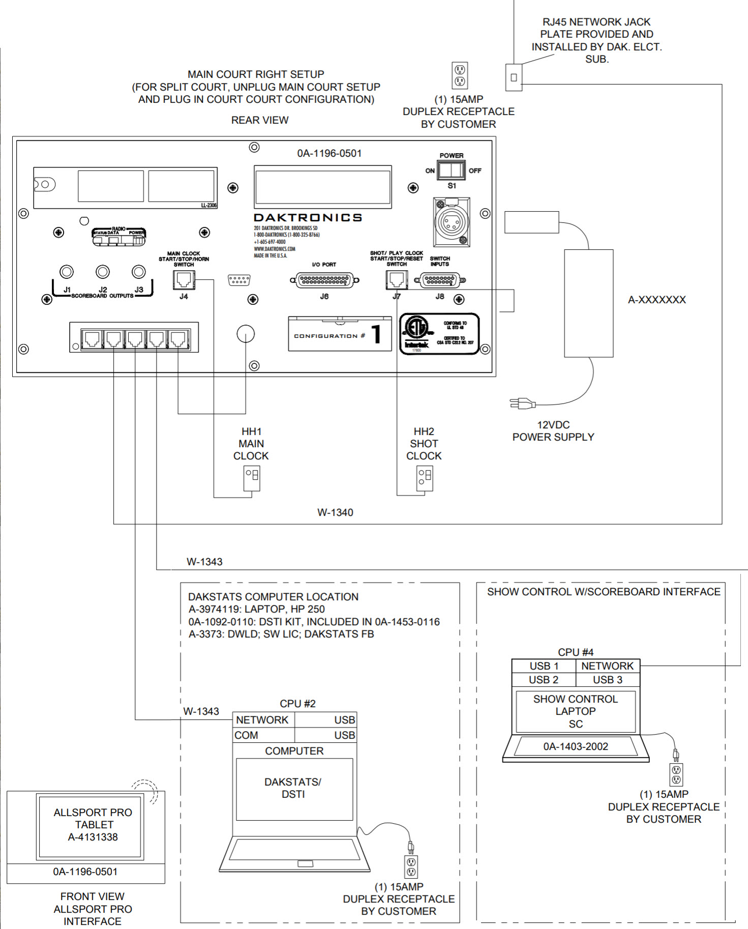
All Sport Pro Interface box

Diagram of connections of the All Sport Pro Interface box

On the back of the All Sport Pro interface, there are the following components:

  1. LCD – ‘A---’ indicates no data has been received since being powered, otherwise a list of address numbers should be scrolling (numbers continue to scroll after game is disconnected and scoreboard blanks)
  2. Radio – same as All Sport 5000 console See: All Sport 5000: How to Use the Gen VI Radio Diagnostics Features on a Console
  3. Network Switch – standard network troubleshooting applies for 2 LED’s of each jack (cable connected, speed of connection, and flashing for active)
  4. Lantronix – only visible indicator is a sticker with a printed number that must match selection in Scoreboard menu and only one of that number can be connected.

Photo

All Sport Pro Series 2 Interface box

Diagram of connections

See the following for examples.

RISER; STD VIDEO, ALL SPORT PRO S2, WIRED LAYOUT DWG-5426685

2024-04-23_12-26-58.png

RISER; STD VIDEO, ALL SPORT PRO S2, WI-FI LAYOUT DWG-5423878

RISER; STD VID, A/S PRO S2 CONTROL LAYOUT DWG-5424463

The Ethernet cable going to the Daktronics router needs to be on the "Daktronics Network" Ethernet jack.

If using a wired iPad, the Ethernet connection would be made on the "Network" Ethernet jack.

USB to Current Loop Converter

This is used to interface with existing 25-pin connections from All Sport 5000.  This convertor takes USB out from the All Sport Pro interface an normalizes into a 25-pin signal to make existing control upgrades easier.

Screenshot 2024-11-11 132509.png

Connect the USB C port to the USB port on the USB to Current Loop Convertor

This normalizes into a 25-pin signal and can be plugged into the 25 pin J box like the All Sport 5000.  This works as a retrofit where customers can go back to the All Sport 5000 if needed. 

Add the MDP Output in the All Sport Pro interface

Log into the All Sport Pro Interface.

Edit Scoreboard: All Sport Pro: How do I configure a scoreboard?

Choose the Additional MDP Output from the dropdown.  This should be the USB port that matches the plug on the All Sport Pro series 2 box. 

Screenshot 2024-11-11 142836.png

Switch Output Mode

This is used to send a relay contact to a third party.  For example, a signal could go out to a goal light provider when the clock is at 0.

Screenshot 2024-11-11 144028.png 

Related Resources

All Sport Pro: How do I configure a scoreboard?

KB ID: 000019981


DISCLAIMER: Use of this content may void the equipment warranty, please read the disclaimer prior to performing any service of the equipment.

DAKTRONICS DOES NOT PROMISE THAT THE CONTENT PROVIDED HEREIN IS ERROR-FREE OR THAT ANY DEFECTS WILL BE CORRECTED, OR THAT YOUR USE OF THE CONTENT WILL PROVIDE SPECIFIC RESULTS. THE CONTENT IS DELIVERED ON AN "AS-IS" AND "AS-AVAILABLE" BASIS. ALL INFORMATION PROVIDED IN THIS ARTICLE IS SUBJECT TO CHANGE WITHOUT NOTICE. DAKTRONICS DISCLAIMS ALL WARRANTIES, EXPRESS OR IMPLIED, INCLUDING ANY WARRANTIES OF ACCURACY, NON-INFRINGEMENT, MERCHANTABILITY AND FITNESS FOR A PARTICULAR PURPOSE. DAKTRONICS DISCLAIMS ANY AND ALL LIABILITY FOR THE ACTS, OMISSIONS AND CONDUCT OF YOU OR ANY THIRD PARTIES IN CONNECTION WITH OR RELATED TO YOUR USE OF THE CONTENT. ADJUSTMENT, REPAIR, OR SERVICE OF THE EQUIPMENT BY ANYONE OTHER THAN DAKTRONICS OR ITS AUTHORIZED REPAIR AGENTS MAY VOID THE EQUIPMENT WARRANTY. YOU ASSUME TOTAL RESPONSIBILITY FOR YOUR USE OF THE CONTENT AND ANY LINKED CONTENT. YOUR SOLE REMEDY AGAINST DAKTRONICS FOR DISSATISFACTION WITH THE CONTENT IS TO STOP USING THE CONTENT. THIS LIMITATION OF RELIEF IS A PART OF THE BARGAIN BETWEEN THE PARTIES.

The above disclaimer applies to any property damage, equipment failure, liability, infringement, or personal injury claim arising out of or in any way related to your use or application of the content, whether such claim is for breach of contract, tort, negligence or any other cause of action.