Scorer's Table: Outlets on table do not work

Potential Symptoms

  • Outlets and/or Possession Indicator on Scorer's Table do not work.

Environment

  • Product: Scorers Table, ST-2011
  • Component: outlets
  • Control System:

Cause

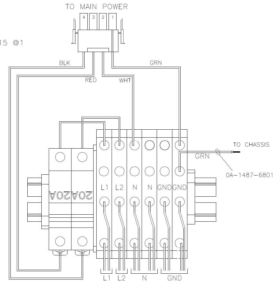
  • End users converted the 4 prong cable to 3 prong and did not connect the fourth wire.

Resolution

  1. All four wires in the power cable must be connected to get power. The green is ground, white is neutral, red and black are hot.
  2. The black wire supplies power to the outlets and possession indicator.
  3. The red wire supplies power to the power modules for the LED display.

    st power.png

KB ID: 000009610


DISCLAIMER: Use of this content may void the equipment warranty, please read the disclaimer prior to performing any service of the equipment.

DAKTRONICS DOES NOT PROMISE THAT THE CONTENT PROVIDED HEREIN IS ERROR-FREE OR THAT ANY DEFECTS WILL BE CORRECTED, OR THAT YOUR USE OF THE CONTENT WILL PROVIDE SPECIFIC RESULTS. THE CONTENT IS DELIVERED ON AN "AS-IS" AND "AS-AVAILABLE" BASIS. ALL INFORMATION PROVIDED IN THIS ARTICLE IS SUBJECT TO CHANGE WITHOUT NOTICE. DAKTRONICS DISCLAIMS ALL WARRANTIES, EXPRESS OR IMPLIED, INCLUDING ANY WARRANTIES OF ACCURACY, NON-INFRINGEMENT, MERCHANTABILITY AND FITNESS FOR A PARTICULAR PURPOSE. DAKTRONICS DISCLAIMS ANY AND ALL LIABILITY FOR THE ACTS, OMISSIONS AND CONDUCT OF YOU OR ANY THIRD PARTIES IN CONNECTION WITH OR RELATED TO YOUR USE OF THE CONTENT. ADJUSTMENT, REPAIR, OR SERVICE OF THE EQUIPMENT BY ANYONE OTHER THAN DAKTRONICS OR ITS AUTHORIZED REPAIR AGENTS MAY VOID THE EQUIPMENT WARRANTY. YOU ASSUME TOTAL RESPONSIBILITY FOR YOUR USE OF THE CONTENT AND ANY LINKED CONTENT. YOUR SOLE REMEDY AGAINST DAKTRONICS FOR DISSATISFACTION WITH THE CONTENT IS TO STOP USING THE CONTENT. THIS LIMITATION OF RELIEF IS A PART OF THE BARGAIN BETWEEN THE PARTIES.

The above disclaimer applies to any property damage, equipment failure, liability, infringement, or personal injury claim arising out of or in any way related to your use or application of the content, whether such claim is for breach of contract, tort, negligence or any other cause of action.